В наличии
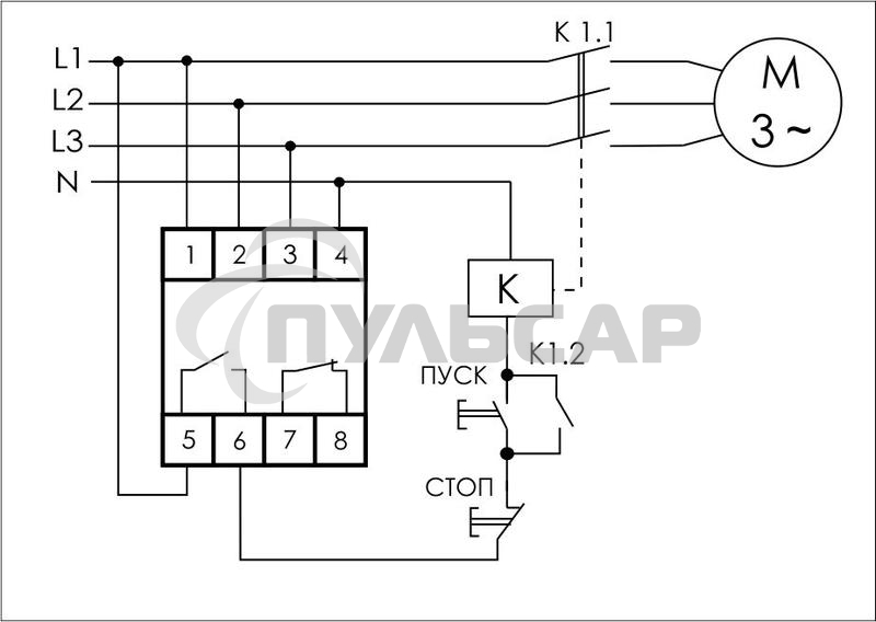
Реле контроля фаз CZF-310 (1 модуль; монтаж на DIN-рейке; 3х400/230+N 8А 1NO/NC IP20) F&F EA04.001.005
- Производитель: Евроавтоматика F&F
- Код Товара: 9963876
.. Еще
-
Цена:
2 319р.
- Просмотренные товары: 1
